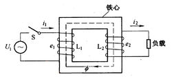
变压器由铁芯(或磁芯)和线圈组成,线圈有两个或两个以上的绕组,其中接电源的绕组叫初级线圈,其余的绕组叫次级线圈。它可以变换交流电压、电流和阻抗。最简单的铁心变压器由一个软磁材料做成的铁心及套在铁心上的两个匝数不等的线圈构成,如图所示。

铁心的作用是加强两个线圈间的磁耦合。为了减少铁内涡流和磁滞损耗,铁心由涂漆的硅钢片叠压而成;两个线圈之间没有电的联系,线圈由绝缘铜线(或铝线)绕成。一个线圈接交流电源称为初级线圈(或原线圈),另一个线圈接用电器称为次级线圈(或副线圈)。实际的变压器是很复杂的,不可避免地存在铜损(线圈电阻发热)、铁损(铁心发热)和漏磁(经空气闭合的磁感应线)等,为了简化讨论这里只介绍理想变压器。理想变压器成立的条件是:忽略漏磁通,忽略原、副线圈的电阻,忽略铁心的损耗,忽略空载电流(副线圈开路原线圈线圈中的电流)。例如电力变压器在满载运行时(副线圈输出额定功率)即接近理想变压器情况。
变压器是利用电磁感应原理制成的静止用电器。当变压器的原线圈接在交流电源上时,铁心中便产生交变磁通,交变磁通用φ表示。原、副线圈中的φ是相同的,φ也是简谐函数,表为φ=φmsinωt。由法拉第电磁感应定律可知,原、副线圈中的感应电动势为e1=-N1dφ/dt、e2=-N2dφ/dt。式中N1、N2为原、副线圈的匝数。由图可知U1=-e1,U2=e2(原线圈物理量用下角标1表示,副线圈物理量用下角标2表示),其复有效值为U1=-E1=jN1ωΦ、U2=E2=-jN2ωΦ,令k=N1/N2,称变压器的变比。由上式可得U1/ U2=-N1/N2=-k,即变压器原、副线圈电压有效值之比,等于其匝数比而且原、副线圈电压的位相差为π。
进而得出:
U1/U2=N1/N2
在空载电流可以忽略的情况下,有I1/ I2=-N2/N1,即原、副线圈电流有效值大小与其匝数成反比,且相位差π。
进而可得
I1/ I2=N2/N1
理想变压器原、副线圈的功率相等P1=P2。说明理想变压器本身无功率损耗。实际变压器总存在损耗,其效率为η=P2/P1。电力变压器的效率很高,可达90%以上。
